Elektor Team (9510)

Members Only​

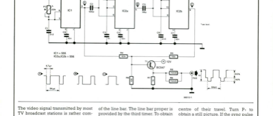
| EE 50 July/August 1986 A B Bradshaw 5 line bar generator 0 12V/80 mA 2 20k 6 IC1 IC2a 56p IC2b 37 11 7k 7 4R1P3144 R30 10k 2 I0On • see te...

Members Only​

| 1262708 alternatives Thanks to the development of an ever expanding range of capacious EPROMs in the 27xxx and 25xxx series, the Type 2708 h...

Members Only​

| smart LED selector I In this tiny circuit, for use in, for in- stance, a two-lights model railway signal, one of two LEDs may be selected wi...

Members Only​

| 1 EE July/August 1986 128toilet ventilator control 2V7 Many toilets have a ventilator, which is energized along with the toilet light. Howev...

Members Only​

| 12V 10 * see text N1...N4 = 1C2 = 4093 N5...N8 = 1C3 = 4030 N9...N 14 = 1C4 = 4050 N15...N20 = 105 = 4049 D1...D12 = LED* (b/ 14 14 16 R 7 4...

Members Only​

| EE July/August 1986 30 true class B amplifier The quiescent current in this ampli- fier is always nought, so there is no need for zero setti...

Members Only​

| by H Huynen light-sensitive switch A = on B = auto C = oft R1 R2 R6 T1 U C4 DI TIL81 BP103 1N4148 O 4704 e 25V B80C1500 T3 oA B C EZE T2 BC5...

Members Only​

| 12 13 1 D3 10 216/9131N4148 R17 40p ICI IC2 N1...N4 = IC1 = 4001 N5 = IC2 = 4001 A1,A2 = IC3 = LM358 TIC206D La l L a2 CL.= Nom 78p C10 SI=...

Members Only​

| EE July/August 1986 MICROELECTRONICS AND by Charles Lewis Public confidence in the pharmaceutical industry is such that both doctor and pati...

Members Only​

| 1 0-0 5V EE July/August 1986 58 33heart beat monitor C1 820n R4 D2 R6 R15 CA3130 4 1 C2 F 10n C3 l 820n 8 IC4 0000 D2...D5 = 1 N4148 R12 JjA...