Elektor Team (9510)

Members Only​

| 0 wah-wah box for guitars In this day and age of electrophonics, a wah-wah box is still a popular means of animating an otherwise tired soun...

Members Only​

| Although this project will not be of interest to everybody, it has many possible applications. The name refers to the respectable dimensions...

Members Only​

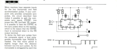
| elektor july/august 1985 Many monitors have separate inputs for the line (horizontal) and field synchronization pulses. If your com- puter o...

Members Only​

| The special feature of this flashing light is the optical switch, which auto- matically switches the light on when it gets dark, and switche...

Members Only​

| gotamilir Many railway modellers would love to have a track monitor panel, but, unfortunately, the few commercially available types do not j...

Members Only​

| 11111.1111114111 Aneroid barometers invariably have two pointers: one that is operated by the mechanics, and one that is set manually. The m...

Members Only​

| 7-96 g D MOSFET power amplifier The output power of an operational amplifier is often increased by a com- plementary emitter follower. It ca...

Members Only​

| elektor july/august 1985 In radio and television studios it is customary to indicate to all concerned when the microphone or camera is "on t...

Members Only​

| An LED indicator with a difference: three alternately lighting LEDs indi- cate a direction, for instance, in a model railway, or to an emerg...

Members Only​

| fast opto-isolator When a computer drives external equipment, it is often required that the earths between them are electrically isolated fr...