Elektor Team (9510)

Members Only​

| There am a number of measuremcmt jobs which require an AC test signal, which, as nearly as possible, is a perfect sinewave. Not only must th...

Members Only​

| Imagine you are sitting in your living room, enjoying the compa-ny of a few friends, when you notice that evening is approaching and the day...

Members Only​

| The majority of FM receivers are pro-vided with some form of squelch circuit which suppresses the noise arising from mis-tuning. Such a cir...

Members Only​

| It is almost a year since the article on Elbug, the monitor software program for the Elektor SC/MP μP system was published. The original art...

Members Only​

| Almost a year ago in the April 78 issue of Elektor, the tenth and final instalment in the series on the Formant music synthesiser was publis...

Members Only​

| Almost a year ago in the April 78 issue of Elektor, the tenth and final instalment in the series on the Formant music synthesiser was publis...

Members Only​

| High intensity indicator tubes. Telephone uses GIM μP. High-speed s-o-s memory. New security aid. Wire-wrapping kit. New microprocessor A to...

Members Only​

| Philips recently introduced a unique, electronic system for making photo-graphic colour enlargements from either negatives or slides. Design...

Members Only​

| When it comes to buying audio equipment, the specifications given in advertisements and manufacturer`s literature may prove to be woefully m...

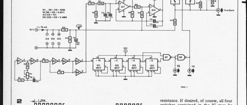
Members Only​

| For certain audio measurements, the IHF standard discussed elsewhere in this issue specifies a particular toneburst signal: a 1 kHz sinewa...