Smart Staircase Light Timer
Save More Money on the Energy Bill!
Continue reading this Elektor article?
- Unlimited access to online Member Only articles
- 3 new editions Elektor Magazine (digital)
- More than 5000 Gerber files
- 20% member discount on e-books (at elektor.com)
- 10% member discount on Products (at elektor.com)
Stops Automatically.
What is Members Only
Elektor is committed to providing high-quality content on electronics, catering to tens of thousands of paying members. As part of this commitment, Elektor has launched Premium, an initiative that offers exclusive online articles to members sometimes even before they appear in the magazine.
Every day, members can access in-depth articles that showcase the best of Elektor's premium content.
This initiative aims to reward members with early access. Once logged in, members can easily enjoy this exclusive content and engage in discussions about featured projects. While Premium adds to the existing resources available, Elektor will continue to provide a wealth of free information.
Join the Elektor community today to take advantage of Premium and other benefits!
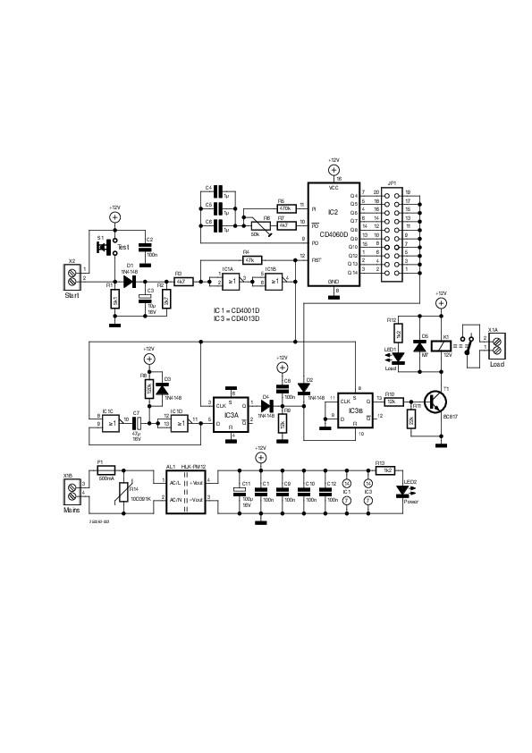
Component list
Component List
Resistors
(All 0805, unless diff. noted)
R1 = 5.1 kΩ
R2 = 2.7 kΩ
R3, R7 = 4.7 kΩ
R4 = 47 kΩ
R5 = 470 kΩ
R6 = 50 kΩ Trimmer
R8 = 120 kΩ
R9, R10 = 12 kΩ
R11 = 22 kΩ
R12, R13 = 1.2 kΩ
R14 = 10D391K Varistor
Capacitors
C1, C2, C8…C10, C12 = 100 nF (0805)
C3 = 10 µF, 16 V, Electrolytic (4X5)
C4…C6 = 1 µF (0805)
C7 = 47 µF, 16 V, Electrolytic (5X5)
C11 = 100 µF, 16 V, Electrolytic (6X5)
Semiconductors
D1…D4 = 1N4148 Diode (MINIMELF)
D5 = M7 Diode
IC1 = CD4001D
IC2 = CD4060D
IC3 = CD4013D
T1 = BC817 Transistor
LED1 = Yellow LED, 3 mm
LED2 = Green LED, 3 mm
Miscellaneous
K1 = 12 V Relay 12 A RT114012
AL1 = 12 V DC Power supply, PCB Type
X1 = 2 Pole Screw Terminal Block
X2 = 4 Pole Screw Terminal Block
F1 = 500 mA T 5x20 Fuse
Fuse Holder 5x20, PCB mount
S1 = PCB push-button, N.O.
JP1 = 20 pin, dual line header, 0.1" pitch

Discussion (0 comments)