Burkhard Kainka (227)

€5 (FREE for Members)

| You occasionally see advertising signs in shops with a blinking LED that seems to blink forever while operating from a single battery cell....

€5 (FREE for Members)

| Here’s a quick primer on sending data over the SPI bus from one microcontroller to another. The data is this case consists of 10-bit reading...

€5 (FREE for Members)

| An extremely basic oscilloscope is better than none at all and sometimes it’s more important that the device is very small, standalone and e...

€5 (FREE for Members)

| If we only used electronics to process existing signals, we would be missing an important aspect of electronics: generating oscillating sign...

€5 (FREE for Members)

| The WSPR (Weak Signal Propagation Reporter, pronounced ‘whisper’) radio transmission technique was developed to enable considerable distance...

€5 (FREE for Members)

| The final instalment of the short series on opamp basics explores some of the more unusual features of operational amplifiers. Another topic...

€5 (FREE for Members)

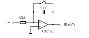
| In many applications it is essential to use an opamp with extremely high impedance inputs. In these cases a standard bipolar device will not...

€5 (FREE for Members)

| Too many electronics enthusiasts harbour a certain reluctance to enter the world of microcontrollers and programming. It really is not so di...

€5 (FREE for Members)

| Operational amplifiers are ubiquitous in electronics, being used in a wide range of applications in all sorts of configurations. There are n...

€5 (FREE for Members)

| This concluding part of our series on the Elektor SDR Shield 2.0 [1] is also the start of a new beginning. This automatically tunable receiv...