Elektor Team (9533)

€5 (FREE for Members)

| A frequency counter is an extremely usefu I tool for tuning the voltage controlled oscillators (VCOs) of a synthesiser both quickly and accu...

€5 (FREE for Members)

| If not always for exclusively technical reasons, output level meters are a particularly popular type of circuit, especially in audio applica...

€5 (FREE for Members)

| With the printed circuit board design given here, it is possible to obtain an `inclusive always` gate by mounting wire link `a ` , or an `ex...

€5 (FREE for Members)

| The sawtooth is a favourite wave-shape in electronic organs. Twelve , different frequencies are required within one octave; for other octav...

€5 (FREE for Members)

| The sawtooth is a favourite wave-shape in electronic organs. Twelve , different frequencies are required within one octave; for other octav...

€5 (FREE for Members)

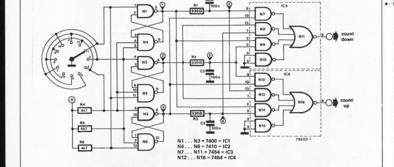
| Sometimes ideas occur, which, although good in themselves, cannot be implemented because the necessary technology is not yet there. Consider...

€5 (FREE for Members)

| The idea itself isn`t new - a similar circuit was published in Elektor, May 1976 -but the simplicity of the circuit described here lends i...

€5 (FREE for Members)

| Most people will have played with poker dice at one time or another, but not everyone will have realised that there are considerable possibi...

€5 (FREE for Members)

| Phasing is a well-known musical effect which is obtained by varying the phase relationship of a signal with respect to an original version o...

€5 (FREE for Members)

| Behind the above title lies a well-known type of dexterity game, in which two players each attempt to pass a ring along a length of wire wit...