Elektor Team (9517)

€5 / Members: Free

| 016 RADIO & TV This squelch circuit is simple, universally usable and provides a large enough gain to enable it being incorporated in the au...

€5 / Members: Free

| 017 48 MHZ CMOS OSCILLATOR Crystal oscillators using digital gates generally do not generate frequencies above 30 MHz, because the necessary...

€5 / Members: Free

| SIMPLE TEMPERATURE INDICATOR For the absolute measurement of tempera- tures a thermometer is indispensable. There are, however, many situati...

€5 / Members: Free

| 019 BUCKET BRIGADE DELAY LINE Although bucket-brigade devices (asps) are not in the same limelight as many other components, they do exist a...

€5 / Members: Free

| 020 FAST ENVELOPE SAMPLER RADIO & TV When a signal is being amplitude-modulated, constant moni- quency does not exceed half the carrier freq...

€5 / Members: Free

| 021 TEST & MEASUREMENT N4). The output of the sampler is in accordance with the potential The noise generator presented here provides consta...

€5 / Members: Free

| 16 One of the difficulties in the design of high- er-order tuneable band-pass filters is achieving correct tracking of the variable resistor...

€5 / Members: Free

| 023 CAR HEADLIGHT CONTROL It is an annoying fact that you normally only realize that you have left your car headlights on when you want to r...

€5 / Members: Free

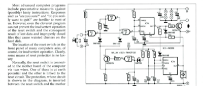
| 024 COMPUTERS Most advanced computer programs include preventative measures against (possibly) hasty instructions. Responses such as "are yo...

€5 / Members: Free

| 025 BICMOS INTEGRATED CIRCUITS BiCMOS devices combine bipolar and cmos technologies, pro- viding the best features of both: the fast perform...