Elektor Circuit Special 2024

We’re thrilled to bring you another Elektor Circuit Special edition! Our past few summer editions have been hits, delighting both loyal readers and new enthusiasts. Now, we're back with the Elektor Circuit Special 2024, blending the charm of the past with the creative innovations of the future. This edition features innovative DIY electronics projects from brilliant engineers and makers across the globe. Staying true to our roots, we focus on straightforward circuits and imaginative projects, with a sprinkle of nostalgia for good measure.
 
 
 
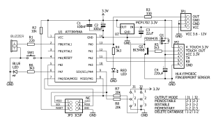
The 2024 edition has 132 pages and is packed with more than 40 projects and circuits, which means there is something for everyone, whether you are an analog aficionado, a wireless app expert, or an audio electronics enthusiast. Some of the many projects include: an audio A/B selector with gain control, a universal infrared remote switch, a DC-DC 3-A power converter, a small Class-A audio amplifier with current output, and a fingerprint sensor switch. And if all those projects aren’t enough to keep you busy for the next several weeks, we also provide a Bonus Edition packed with free extra projects and articles. Enjoy!
 

Articles, Project Files & Downloads

The extra-thick Elektor Circuit Special 2024 features 40-plus circuits and projects, many of which come with handy project files and downloads (e.g., code and PCB files). On this webpage, we provide links to all the helpful files associated with the articles and projects in the issue. Reminder: As you create your own projects, be sure to share your innovations on the Elektor Labs platform.
visual-download.jpg

Elektor Lab Talk - Join the Livestream!


Copy of Copy of Article Image Template.png

 

Ready to geek out about circuits, tools, engineering tips, and more? Join Elektor's editors and engineers for a live Elektor Lab Talk on August 29, 2024, at 4 PM! Hosted by Jens Nickel, Brian Tristam Williams, and Saad Imtiaz, we'll dive into many of the exciting projects featured in the Elektor Circuit Special 2024, and we will answer your questions and comments. During the livestream, we'll also be giving away some fantastic prizes, including classic Elektor circuits!

 

Jens Nickel is Elektor’s Editor-in-Chief. Besides programming, he loves electronic music and video production. Reach out to him at editor@elektor.com. Brian Tristam Williams is an editor and content creator with a lifelong passion for computers and electronics since getting his first “microcomputer” at age 10. Follow him on Twitter @briantw. Saad Imtiaz is a Senior Engineer at Elektor with a keen interest in IoT, embedded systems, and automation.

Elektor E-Zine

 

Professional engineers, serious electronics makers, and top students around the world read Elektor's weekly E-Zine for electronics projects, technical insights, new product news, in-depth interviews, and much more. We've got something for everyone, from newbies looking for fun weekend DIY electronics projects to pro engineers interested in embedded programming. Subscribe to the free E-Zine to get all the great content delivered right to your inbox!

 

 

visuals-ezine-EN&NL.jpg