Straight out of the golden age of DIY electronics, the Digital Wooing Aid circuit turns TTL logic into tender words. It is nostalgia, nerdiness, and charm all rolled into one blinking display.
Every now and then, I come across an old Elektor project that reminds me why I am passionate about electronics in the first place — not just for the innovation, but for the creativity and humor behind it. M. Muhr's "Digital Wooing Aid" project from 1979 is one of those circuits. It’s a quirky blend of digital logic and romantic desperation. The gadget was designed to help a tongue-tied engineer express his feelings the only way he knew how: through electronics.
Here’s the idea. You hand this little device to someone special, they press a button, and the display lights up with the immortal words, “Hello beautiful.” Whether it wins hearts or earns an eye roll is up for debate, but you can’t deny it was fun and original.
Fun from the Summer of '79
"The basic idea is to assist those unfortunate souls who seem to become tongue-tied when confronted with the object of their desires, and are incapable of expressing the intensity of their emotions in words," Muhr noted.
The Circuit
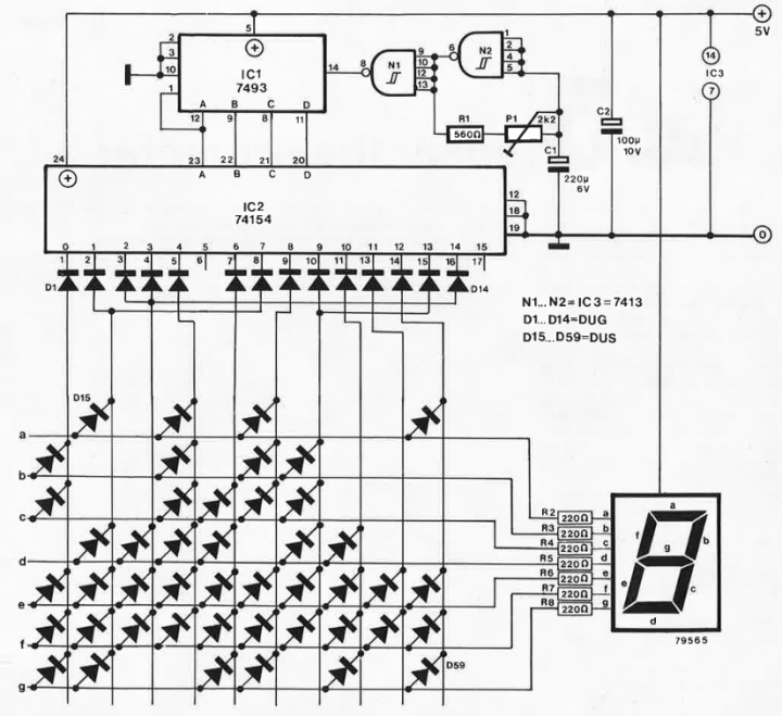
Technically speaking, the circuit is a straightforward but elegant example of digital logic in action. A clock generator sets the rhythm, a 4-bit binary counter tracks the pulses, and a 4-to-16 decoder steps through each output in sequence. A diode matrix translates those signals into the correct segments of a Minitron display (or similar), spelling out each character of the message. You could even fine-tune the delivery with a potentiometer to control the timing—because in both love and electronics, timing matters.
Digital logic in action
Sure, it’s a bit silly; but that’s exactly what makes it great. Projects like this remind us that electronics doesn’t always have to be about solving serious problems. Sometimes it’s just about creativity, experimentation, and having a little fun with the tools and components.
The Original Digital Wooing Aid Project
The original article, “Digital Wooing Aid,’” appeared in Elektor July/August 1979. You can read the article for free during the two-week period following the publication of this post. If you start working on a new circuit of your own, please share your progress on the Elektor Labs platform!
Editor's Note: This article first appeared in a 1979 edition of Elektor. Given the project’s age, some of the components might not be available and the design techniques might seem antiquated. However, we believe the circuit will make you smile and inspire you to start new projects in the future.
Subscribe
Tag alert: Subscribe to the tag Circuits & Circuit Design and you will receive an e-mail as soon as a new item about it is published on our website!
Read full article
Hide full article
Add a rating to this article
★★★★★
★★★★★
Page 1 / 1
Login
No account yet?Register for free!
Forgot password?
Please enter your email address. Instructions for resetting the password will be emailed to you now.
Discussion (2 comments)