Elektor September/October 2025: Wireless and Communication
on
Inside the Elektor September/October 2025
Looking for wireless applications and helpful communications-related insights? Whether you're interested in next-gen SDR, SMS remote control, e-field measurements, IoT devices, or classic analog circuits, this issue is designed to guide and inspire your work.- Navigating Wireless Protocols: A Technical Guide
- Satellite Tracking Using LoRa: The TinyGS Network Bringing Space Data to Earth
- ESP32 Audio Transceiver Board (Part 2): Wireless Audio Transmission
- Inductive AM Transmitter: Uses Pico’s PIO in an Arduino Sketch
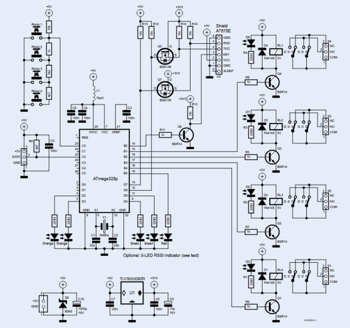
- Autonomous Sensor Node v2.0 (System Architecture): Solar-Powered Sensing Platform with Integrated GPS, LoRaWAN, and More
- Precise Positioning: Bluetooth Channel Sounding Tested
- KrakenSDR With Five RF Receivers
- 4G-Compatible SMS Remote Control: Remotely Control Your Equipment
- High-Speed Probe: High-Impedance Inputs for Signals up to 200 MHz
- Contact-Free E-Field Measurements (2): A Laser Vibrometer for Assessing the Membrane’s Vibrations
- Phone-Controlled Model Car: Wi-Fi + ESP32 + Smartphone = Remote Control
- Solar Charge Controller with MPP Tracking (3): Software and Commissioning
- Raspberry Pi Zero Web Streaming Camera: Using the ZeroTier VPN
- Performance Tests with the RP2350
- Test-Driven Development in Firmware Writing
- Starting Out in Electronics: Special Audio ICs
- 2025 - An AI Odyssey: AI Reasoning Models: The Chain-of-Thought Revolution
- Crystals and Oscillators: Improving Crystal Accuracy Through Capacitor Selection
- Getting Started with Coding a DIY Project
- SPECTRAN V6 Mobile: Modular, Configurable Real-Time Spectrum Analyzer
- The Future of AI Is Forged in Silicon: An Interview with Anastasiia Nosova
- Powering the Future of Wireless Communication: BTRY’s Ultra-Thin Solid-State Batteries



Discussion (0 comments)