More about Philips (168)

€5 (FREE for Members)

| chips for digital audio elektor january 1983 So far, digital audio has only been demonstrated in studios, development laboratories, industri...

€5 (FREE for Members)

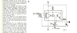
| 4-50 - elektor april 1982 applikator athe 13600, new OTA The new OTA, type 13600, is an extremely useful IC. This article deals with some pr...

€5 (FREE for Members)

| CX and DNR elektor february 1982 - 2-41 "Down with noise" could well be the slogan at an imaginary audio demo, for noise continues to be a m...

€5 (FREE for Members)

| bar graph driver Philips have recently introduced a new integrated circuit which has been control liquid crystal di plays. The read-out is i...

€5 (FREE for Members)

| digital audio elektor june 1981 — 6-39 Here today, gone tomorrow? Not likely! Cutting Bach into bits may sound like a heathen ritual — b...

€5 (FREE for Members)

| 2-04 - elektor february 1981 noise reduction noise silence is golden reductioncourse the Dolby B system which fitted the bill very nicely. P...

€5 (FREE for Members)

| 7-98 elektor july/august 1980 Table 1. Type TIP 30A BFY 90 BFW 92 BF 181 BFW 16 A Table 2. b/K21 Manufacturer 13 Texas Instruments 21 Philip...

€5 (FREE for Members)

| Hybrid audio power amplifier modules are not particularly new: over two-and-a-half years ago, in January 1977, we discussed the subject quit...

€5 (FREE for Members)

| The latest Philips and Grundig top-hit in the home-video field, the Video-2000 system, has received world-wide atten-tion. One cassette, con...

€5 (FREE for Members)

| Dynamic Noise Limiting (DNL) is a noise reduction system patented by Philips, which is particularly useful for the reproduction of (cassette...