| The final day of embedded world 2026 highlighted innovations in low-power hardware, IoT security, and developer tools. Interviews with start...
| The final day of embedded world 2026 highlighted innovations in low-power hardware, IoT security, and developer tools. Interviews with start...
| Today’s smart home ecosystem is evolving beyond isolated pockets of automation into a more intelligent and interconnected landscape. Lights,...
| Relio is a compact, Matter-enabled smart device that integrates presence detection, environmental sensing, IR control, energy monitoring, an...
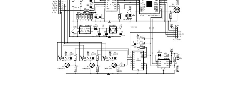
| In the previous project update, you learned about enhancements to the ESP32 Energy Meter’s schematic design and PCB. This article focuses on...
| In the previous project update, you learned about enhancements to the ESP32 Energy Meter’s schematic design and PCB. This article focuses on...