| Inspired by a vintage HP electronic load, this dual-surface thermal solution clamps TO-247 transistors front and back using a custom alumini...
| Inspired by a vintage HP electronic load, this dual-surface thermal solution clamps TO-247 transistors front and back using a custom alumini...
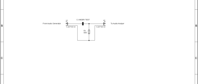
| Resonably priced Audio Notch
| This compact through-hole PSU design features two independently adjustable LM317-based regulated outputs, supporting both EI30 and EI42 main...
| This fuel injector control tester drives up to six gasoline injectors simultaneously for cleaning and diagnostics. A CPLD generates adjustab...
| Compact power supply with two regulated output voltages
| Compact symetrical power supply
| Improved Cooling for DC-Load
| Control for gas injectors
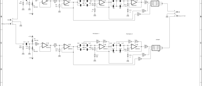
| Active 3 way audio cross over with through hole parts
| DC in housing