Elektor November/December 2025: Prototyping and Production
As 2025 comes to close, we present you with the Prototyping and Production edition of Elektor. Inside, you’ll find a wealth of inspiration and expertise from our global community. From Saad Imtiaz’s essential circuit board design tips to Peter Dalmaris’s deep dive into the latest KiCad features, this edition is packed with practical insights. Enjoy!
As the year 2025 comes to close, we are pleased to present you with the Prototyping and Production edition of Elektor. Inside, you’ll find a wealth of inspiration and expertise from our global community of inspiring engineers and makers. From Saad Imtiaz’s essential circuit board design tips to Peter Dalmaris’s deep dive into the latest KiCad features, this edition is packed with practical insights and creative electronics projects. Whether you are a professional engineer designing a new product or a maker working on a creative weekend project, you are sure to find helpful tips and tricks in this edition of your favorite magazine. Enjoy!
Available now!
Inside the Elektor November/December 2025
If you’re looking for insightful engineering tutorials and creative electronics projects, we’ve got you covered. This Prototyping & Production edition touches on a wide range of subjects and topics such as practical soldering tips, circuit prototyping solutions, and circularity in electronics.
Table of contents: Nov/Dec 2025
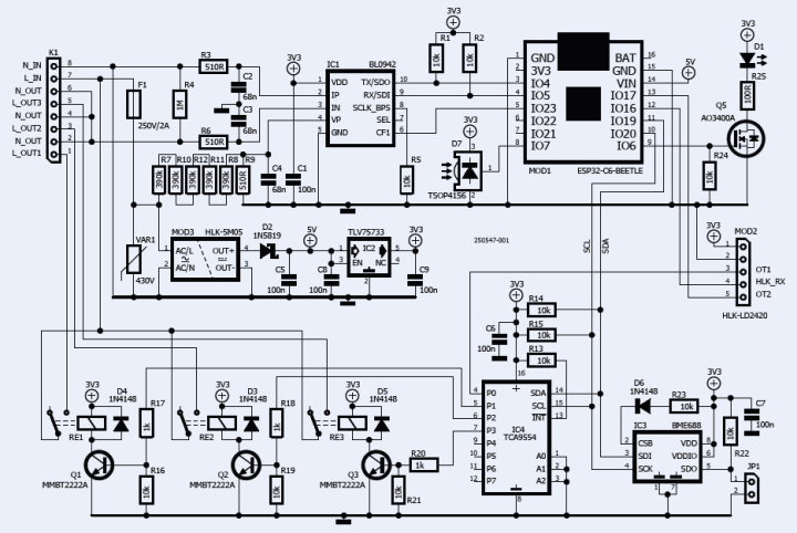
Relio v1.0 — Presence Detection and Remote Control
Precision Picoammeter With Curve Tracer Functionality
Designing Better PCBs: A Practical Guide for Professionals and Makers
KiCad 9: Top New and Updated Features
100 mV Continuity Tester
Relio schematic
Soldering in 2025: Practical Soldering Tips Straight from the Workbench
SimulIDE: An All-in-One Tool for Circuit Prototyping
Wordy Christmas Tree: A Festive Electronics Project with a Linguistic Twist
Analog Pipeline Distortion: A Cool Audio Effect for Guitars and Other Instruments
ESP32 Audio Transceiver Board (Part 3): Stereo Transmission and Dual Radio
ESP32 Audio Transceiver Board (Part 3)
Who’s Pushing the Boundaries of European Electronics?: Companies to Watch
productronica 2025: What’s New in Electronics Development and Production
Automation to Tackle Reshoring Manufacturing, Tariffs, and Labor Shortages
How Desktop Manufacturing Machines Are Democratizing PCB Production
UHD Displays Driven with Ease
2025: An AI Odyssey: From Autocomplete to Colleague
Christmas Star 2025: A Star Is Soldered
More Prototyping and Production
Elektor is an essential resource for prototyping- and production-related content. Elektor Gold and Green Members can immerse themselves in these subjects all year! Our members enjoy full access to Elektor’s online library, as well as a 10% discount on many products in the Elektor Store. We will also post the free Bonus edition associated with this magazine on our Prototyping & Production page.
Subscribe
Tag alert: Subscribe to the tag Prototyping & Production and you will receive an e-mail as soon as a new item about it is published on our website!
Read full article
Hide full article
Add a rating to this article
★★★★★
★★★★★
Page 1 / 1
Login
No account yet?Register for free!
Forgot password?
Please enter your email address. Instructions for resetting the password will be emailed to you now.
Discussion (0 comments)