All items tagged with controller and speed (18)

€5 (FREE for Members)

| The Type ZN419CE servo control IC from Ferranti is ideal for use in model railway direct-current engines. The internal circuit diagram o...

€5 (FREE for Members)

| The fan runs constantly in many PCs, which may not even be necessary. A simple controller circuit can regulate the fan speed according to...

€5 (FREE for Members)

| The controller was designed to stabilize the speed of small d.c. motors within certain limits. It holds constant the counter-e.m.f. prod...

€5 (FREE for Members)

| C, 7 dril) speed controller This simple circuit is of interest because it enables drill speed to be controlled irrespective of the load on t...

€5 (FREE for Members)

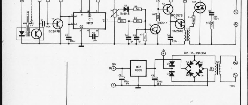
| 7-96 — e4ektor july/august 1981 W. Gscheidle speed controller for model boatS Of course, every one who constructs model ships wants his mo...

€5 (FREE for Members)

| In the world of model railways, electronics is playing an increasingly important role, and it is only a matter of time before the micro-proc...

€5 (FREE for Members)

| Electric motors up to around a quarter horsepower can often be picked up very cheaply (ex-domestic appliances). They are...

€5 (FREE for Members)

| This circuit is intended for continuous speed control of small series wound motors, as used in most electric hand drills, etc.