| Do you want to the opportunity to win up to $10,000? Enter our ARM Microcontroller Design Contest and qualify not only to win the cash, but...
| Do you want to the opportunity to win up to $10,000? Enter our ARM Microcontroller Design Contest and qualify not only to win the cash, but...
| In the first part of this course we went into plenty of detail about how to install the development environment, leaving relatively little t...
| Testing DCF77 decoders, DCF77 decoding routines or DCF77 clocks is made a lot easier when you have a standards-conformant timecode signal th...
| Clemens Valens’ book Mastering Microcontrollers – helped by Arduino soared in sales last year and received critical acclaim for its personal...
| A proven and successful concept for the German market, Elektor’s Business Special is now also available in English. Produced for the occasio...
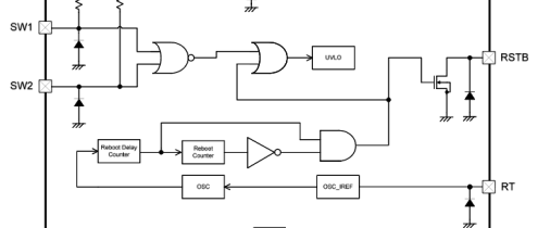
| TOREX Semiconductor Ltd. has developed the XC6190 series of push button Reboot Controllers, designed to provide a system reboot signal to th...
| Atmel’s family of microcontrollers based on the ARM Cortex-M0+ core is powerful, economical, versatile, and, at least according to the manuf...
| Why not take the plunge now and explore the world of 32-bit microcontrollers? Our course, designed for those with a little experience of 8-b...
| The A4963 from Allegro Microsystems is a three-phase, sensor-less, brushless DC (BLDC) motor controller for use with external complementary...
| Here is a new initiative in the quest for the ultimate human interface in microcontroller designs. Instead of the 210th all-in-one solution...