Circuit: DIY PIC-Based Radiation Meter
on
Radiation Meter Circuit
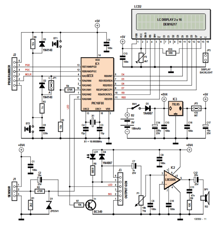
In May 2014, Elektor introduced an updated design for a DIY radiation meter that combines precision measurement with simple construction. At the heart of the project is the PIC16F88 microcontroller, clocked by a 19.6608 MHz crystal. This frequency, together with the PIC’s internal prescaler, enables the system to keep an accurate real-time clock, with timing precision down to the second.
The radiation sensor and its dedicated circuit are mounted inside a hermetically sealed, light-proof enclosure. A thin aluminum foil disc serves as the detection window, secured with a threaded ring for easy replacement. This clever design allows experimenters to try different foil materials and thicknesses — even household aluminum foil — to compare performance.
The Display
The LCD module displays the results in a clear, user-friendly format. The top line cycles through radiation level indicators: L (low), M (moderate), and H (high), showing measured pulses much like a traditional Geiger-Müller counter. Each detected pulse also triggers a brief flash from a red LED and a satisfying audible “click” from the speaker, with sound volume adjustable via potentiometer P1.
and manual setting (c) of the threshold levels.
The bottom line of the display presents the elapsed time since the device was started and the count of low-level pulses per minute. These values update in real time: pulses and elapsed time every second, and the pulse-per-minute reading every 60 seconds.
Portability and Precision
Powered from a simple 9-V supply with onboard regulation, the unit offers both portability and precision. Its accessible design makes it an ideal project for electronics enthusiasts interested in radiation measurement, sensor experimentation, or microcontroller-based instrumentation.
With its combination of accurate timing, real-time display, and a swappable sensor window, this PIC-based radiation meter is a perfect example of a practical, educational, and highly hackable Elektor project. Enjoy!
The Original Project
The original article, “Elektor Radiation Meter using PIC,” appeared in Elektor May 2014. You can read the article for free during the two-week period following the publication of this post. If you develop your own circuit or radiation meter, please share your progress on the Elektor Labs platform!
Editor's Note: This article originally appeared in a 2014 edition of ElektorMag. Given the age of the project, some of the components or products might not available, and some of the design techniques might seem antiquated. However, we believe the project will inspire you to start new DIY electronics projects of your own.

Discussion (0 comments)